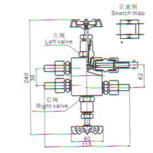
QF-05平衡閥

您當前的位置:首頁 / 產品展示 / 儀表閥門 / QF-05平衡閥

產品展示

QF-05平衡閥

QF-05平衡閥

溫州正義儀表閥門有限公司提供的QF-05平衡閥廣泛應用化工 、 電力、市政、核電、冶金、機械、制藥、航空等工業自控管路系統,根據多年的生產制造經驗,可根據工況為可來圖或現場設計進行生產合適的儀表閥門產品的價格、參數、圖片等信息供您參考,咨詢電話咨詢熱線0577-86862500。

  • 質量穩定:實行全過程質量監控,細致入微,各方面檢測!
  • 價格合理:嚴格把控成本控制,減少了開支,讓利于客戶!
  • 交貨快捷:新型生產流水線,充足的備貨,縮短了交貨期!
  • 熱線:13957784268

產品詳情


相關信息

儀表閥門知識

溫州正義儀表閥門有限公司

如果您有任何產品上的問題及建議,或您想知道的,您可以隨時與我們聯系。

    聯系我們

  • 地址:溫州永中工業區
  • 電話:0577-86862500
  • 傳真:0577-86865368
  • 13957784268 See more
客服中心
客服QQ: 點擊這里給我發消息
客服QQ: 點擊這里給我發消息