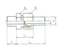
錐密封焊接式直通管接頭

您當前的位置:首頁 / 產品展示 / 卡套接頭 / 錐密封焊接式直通管接頭

產品展示

錐密封焊接式直通管接頭

錐密封焊接式直通管接頭

溫州正義儀表閥門有限公司專業生產的錐密封焊接式直通管接頭廠家,錐密封焊接式直通管接頭在化工,制藥,石油,科學實驗,電氣工程等諸多行業中廣泛應用咨詢熱線0577-86862500

  • 質量穩定:實行全過程質量監控,細致入微,各方面檢測!
  • 價格合理:嚴格把控成本控制,減少了開支,讓利于客戶!
  • 交貨快捷:新型生產流水線,充足的備貨,縮短了交貨期!
  • 熱線:13957784268

產品詳情


相關信息

卡套接頭知識

溫州正義儀表閥門有限公司

如果您有任何產品上的問題及建議,或您想知道的,您可以隨時與我們聯系。

    聯系我們

  • 地址:溫州永中工業區
  • 電話:0577-86862500
  • 傳真:0577-86865368
  • 13957784268 See more
客服中心
客服QQ: 點擊這里給我發消息
客服QQ: 點擊這里給我發消息